
全國服務熱線



19926637039
一、防水型磁感應多圈角度傳感器產品概述
W WOA-D系列防水型磁電編碼器為測量電機旋轉位置的內部非接觸式絕 對 值編碼器,產品采用米朗科技自主研發的各向異性磁電阻(AMR)傳感器,并加入信號調理及算法,計算 絕 對 角度,可在水下100米里長期正常工作。
二、防水型磁感應多圈角度傳感器產品特性
● 信號輸出:RS485半雙工通信,4-20mA,0-5V,0-10V
● 支持(max)轉速600rmp
● 體積小
● 抗污染能力強
● 絕 對 值輸出,數據掉電記憶
● 防護等級IP68,可在水下100米里長期正常工作
三、防水型磁感應多圈角度傳感器應用領域
● 伺服控制系統
● 機器手臂
● 位置測量
● 工業自動化控制
● 直流電機
四、防水型磁感應多圈角度傳感器電氣技術規格
技術規格 | 參數《防水型磁感應絕 對輸出型》 | |
模擬輸出 | 數字輸出 | |
輸出信號 | 0~5V/0~10V/4~20mA | RS485 |
電源電壓 | +12~24VDC | +12~24VDC |
分辨率 | 0.09° | 0.09° |
可標定圈數范圍 | 1~40圈 | 1~4080圈 |
線性精度 | ≤0.2%F.S. | ≤0.2%F.S. |
旋轉方向 | 順時針/逆時針 | |
允許旋轉速度 | ≤600rpm | |
響應頻率 | 100Hz | |
防護等級 | IP68 | |
工作環境溫度 | -40℃~85℃ | |
注:電源打開后因內部電路的初期化,請在上電50msec后,再輸入命令。每次斷電與上電保持間隔大于10秒。
五、防水型磁感應多圈角度傳感器選型指導:

六、防水型磁感應多圈角度傳感器接線方式
接線顏色 | 功能說明 | 備注 |
紅色 | 電源正VCC | +12V~24VDC |
黑色 | 電源負GND | 0V |
綠色 | RS485-A/OUT+ | 信號輸出 |
白色 | RS485-B/OUT- | 信號輸出 |
屏蔽層 | 接外殼 | 接地 |
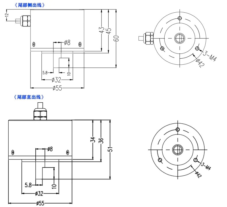
七、防水型磁感應多圈角度傳感器安裝尺寸:




